1.电容式传感的基本原理
电容传感技术为开发人员提供了一种与用户互动的全新方式,在设计一个电容感应式触摸开关时,需要考虑许多不同的因素。从以往的使用经验来看,在各种不同的工作条件下,开关的灵敏性必须与多种情况相兼容。本节我们要讨论在设计电容感应式触摸开关PCB触点图形时,各种不同的排板设计对开关灵敏度的影响,包括电容式传感技术如何使器件具有更高的可靠性以及管理电容式传感技术的控制器如何通过提供更多功能为客户带来增值服务和降低维护成本。
触摸传感电容开关不带任何机械部件,并能轻松顺应曲面应用的要求,因而能够成为当前各类产品应用的理想技术。利用动态再配置功能,我们可实现硬件的重复使用,在不增加额外成本的情况下实现更多的系统功能。
如下图所示,电容式开关主要由两片相邻的电路极板构成,而根据物理原理,两片极板之间会产生电容。如果手指等导体靠近这些极板,平行电容(parallelcaPACi-tance)就会与传感器相耦合。将手指置于电容式传感器上时,电容量会升高;移开手指,电容量则会降低,通过测量电容量就可以判断手指的碰触。

电容式传感器由两片电路极板及相互之间的一定空间所构成。这些电路极板可以是电路板的一部分,上面直接覆盖绝缘层,当然,也可以使极板顺应各种曲面的弧度。
构建电容式开关的要素包括:电容器、电容测量电路系统、从电容值转换成感应状态的局部智能装置。
典型的电容式传感器电容值介于10~30pF之间。通常来说,手指经由Imm绝缘层接触到传感器所形成的耦合电容介于1~2pF的范围。越厚的绝缘层所产生的耦合电容愈低。若要传感手指的触碰,必须实现能够检测到1%以下电容变化的电容传感电路。
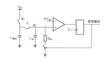
增量求和调制器是一种用于测量电容的高效、简单的电路,下图给出了典型的拓扑结构。相位开关使传感器电容向积分电容中注入电荷。该电压持续升高,直到大于参考电压为止。比较器转为高电压,使放电电阻器开始工作。在积分电压降至参考电压以下时,该电阻器停止工作。比较器提供所需的负反馈,使积分器电压与参考电压相匹配。

2.传感器充电电流
在第1阶段,传感电容(Csensor)的充电达到供电电压水平;在第2阶段,电荷被传输至积分电容(Cint)。反馈使积分电容上的电压接近参考电压(kVdd)的值。每次启动该开关组合都会传输一定量的电荷。对于下式显示的充电电流而言,电荷传输的速度与开关频率(fc)成正比

3.放电电流
放电电流通过电阻实现。在比较器高电压时,会启动开关以连接至放电电阻。比较器按一定比例在高、低压间循环,以使积分电容电压等于参考电压。可将比较器为高电压时的百分比定义为“DensitYout”,仅在这部分百分比的时间段放电。有关电流的计算为

在稳定状态下,充电电流与放电电流必须匹配。设置IC使其与ID相匹配,则得到

传感器电容与密度成正比。已知采样频率、放电电阻以及参考电压(VDDK),只需测量密度就能计算出传感器的电容。可使参考电压与供电电压成正比,这样供电电压就对电容/密度的计算结果没有影响了,这也使得该电路对于电源具有较强的抗波动能力。
数字电路用于检测密度,下图给出了这种电路的范例。

该脉宽调制器(PWM)可控制密度输入至计数器(enablegate),如果PWM的脉宽为“m”个周期,假设在这段时间中计数器积累了“n”个采样,那么密度则为n/m;如果PWM的脉宽为100个周期,就会得到1/100的分辨率,这个时间再扩大10倍,则得到1110000的分辨率。观测的周期数越大,分辨率也就越高。
机械开关比较容易磨损,甚至磨坏产品外壳,导致缺口或裂口处侵入污染物。电容式传感器就不会发生损坏产品外壳的情况,也不会出现缺口粘连物,更不会出现磨损。因此,采用这种技术的开关器件是替代多种机械开关产品的理想选择。
4.对开关灵敏度的影响
光有一个触摸感应开关是不能使用的,除非系统能可靠测定开关所处的状态。使用机械开关来实现电气连接是没问题的,如果机械开关能合理地连接,那么能正确地决定开或关的状态。使用感应触摸开关时,开关所处的状态有时很难明显界定。
电容感应式触摸开关在实际应用时,可能会出现:当使用者的手指在碰到触摸开关时,触摸感应开关端的电容还没有充分地充电而手指已经离开了触摸点,那这时开关的状态处于何种状态呢?因此当手指碰触时,为了增加检测开关的可靠性,使电容充电最佳化,下列几项内容对充电电容的性能参数影响较大。
(1)尺寸、形状和在PCB上的开关放置位置。
(2)连接在PCB和使用者手指之间的材料。
(3)连接到开关与MCU之间连线参数。
上述这些条件,对触摸式感应开关的灵敏度都有直接的影响,因此必须正确设计感应开关。
5.触摸感应开关的PCB图形
为了获得“开关电容PCB图形”,下图给出了触摸感应开关的12种PCB设计图形。这些感应开关具有不同的形状与尺寸,我们将其排列成三列(A~C)、四行(1~4),其中A列与C列的尺寸是20mmX20mm,B列的尺寸是15mmX15mm.
A列与B列具有不同的尺寸,但是走线和距离是相同的;B列与C列也具有不同的尺寸,但是它们的走线和间隔是按比例增加的。下表给出了不同尺寸与不同形状的PCB图形具有不同的感应电容值。对于触摸感应式开关来说,一个好的开关应具有好的灵敏性和高的感应电容值,因为这样可将走线的寄生电容与电感的影响降到最低,对开关的影响最小。
比较下图与下表中数据可知,A列与C列的PCB图尺寸相同,但电容量却不同,这是因为在A列与C列的PCB图形中,在相同的20mm×20mm外框包围中其内部的走线密度不同所致。比较A列与B列可知,其感应电容量不同是由于其尺寸不同所致。
在设计触摸感应开关电容时需要考虑两个主要因素,一个是开关电容的尺寸,另一个是其形状,当然与触摸开关上面连接的材料特性与厚度也有关系。


6.不同材料的影响
在许多产品中,PCB上的开关不能直接被使用者触摸到。从美观与对电路板的保护角度考虑,通常在PCB与使用者之间会隔着一层塑料或玻璃制品。
下表给出了在感应开关与使用手指之间采用不同材料、不同厚度对感应电容影响的百分比。
从下表中可知,在PCB与用户手指之间放置不同材料,对感应电容影响效果是明显的,因此在设计该类产品时,我们可以按照下面的设计规则。

(1)开关图形的设计。无论在静态与动态时,上图中的第4行、第4列展示出最好的电容特性,不但图形设计容易,而且开关特性安全可靠。
(2)为了使PCB与手指间的感应电容改变最小,需要使用最薄的材料。
(3)为了使触摸开关具有绝对的电容量,所使用的材料需要具有更高的介电常数。
相对于在开关与其他电容之间的更高电容值,例如,走线或其他电容,在静态或动态时,MCU能直接检测到电容量的改变。
7.走线长度
另外一个重要因素是连接在触摸开关与MCU之间走线的长度对开关的影响作用。
走线越长对开关的寄生电容效用越明显,过大的寄生电容会使开关不能正常工作。如果寄生电容太大,当手指与触摸开关接触时,过大的寄生电容使MCU不能检测到开关状态的变化。通常,根据不同的开关图形与所用的材料不同,触摸开关感应电容一般控制在2~15pF之间是比较合理的。
在设计触摸感应开关系统时,一个比较安全的准则是感应电容量改变0.5%时,MCU能检测到。必须仔细检查触摸开关PCB图形与走线,将感应电容设计到最小,因此,当手指碰触时典型的电容改变量控制在总电容量的0.5%。
8.供电电压VDD的影响
另一个设计考虑的因素是MCUVDD电压源。VDD电压的稳定与否,与MCU的安全可靠检测紧密相关。因为该电压直接影响了触摸感应电容的充电与放电开关特性,因此在触摸感应控制IC的VDD与Vss(地)之间必须设置旁路电容,同时前级最好用三端稳压器供电,供电电源走线必须短而粗,切忌设计成细而长且绕圈子的形式。
9.触摸感应开关设计
基于上述2、3点测试与设计限制的结论,在设计触摸感应开关时要考虑使用许多通用材料,例如玻璃、树脂塑料和ABS塑料等,为了实现有效控制和能采用多种材料,我们选择4C开关电路图形。即使电路开关具有最低的静态电容,它同样具有足够高的寄生电容和同样好的开关特性。下图是最佳的开关电路尺寸与图形。

为了防止在每个开关节点之间产生的耦合,两个相邻开关之间的距离至少要大于lOmm.如果距离小于10mm,那么检测将可能发生问题,但是更合理的设计必须经过计算。
如果在开关前面覆盖一个面板,特别要考虑其稳定性,在开关与面板之间必须紧密接触,不能有任何缝隙存在。因为缝隙同样能改变静态与动态电容。
如果系统需要多个开关,下图给出了最佳的PCB设计方案。虚线为顶层走线,按键同样设计在顶层,实线是底层走。
这种排列方式能减少走线之间的寄生电容量。
为了减少走线之间的寄生电容量,在PCB布板请按照以下方式:
(1)走线宽度不要超过0.3mm.
(2)避免信号线与地线平行。
(3)保持信号线之间的距离大于Imm.
(4)避免信号线穿越地平面。
(5)避免信号线接近高频或高变化率的电路。
